您好,欢迎访问智恒微电子商城!     咨询热线:0592-8268993

智恒微电子

Intellisense Micro System

 • 当前位置:
产品详情  product detail
--- 热 卖 推 荐 ---
  • 数字量测距光电传感器
    ❤ 收藏
  • 数字量测距光电传感器

    传感器使用多元件接收器阵列,测量距离15mm-100mm,精度±1mm。

    • ¥50.00
      ¥0.00
      ¥50.00
      ¥45.00
      ¥40.00
      ¥37.50
    • 满意度:

      销量: 0

      评论: 0 次

    重量:0.000KG
    • 数量:
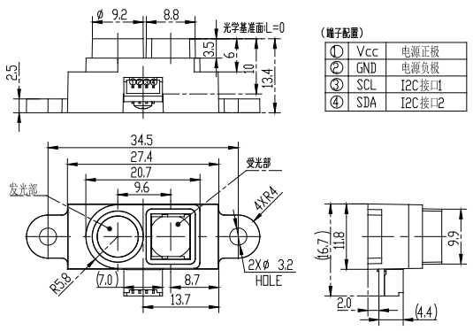
商品参数
    商品描述

    传感器使用多元件接收器阵列,测量距离15mm-100mm,精度±1mm。


    传感器使用多元件接收器阵列,测量距离15mm-100mm,精度±1mm。

    与流行的夏普模拟距离传感器相比,该传感器具有与目标距离成线性比例的I2C数字输出,可由MCU直接读取。用户将不需要再进行线性化计算。



    型号DSA-D50DSA-D100
    检测距离20~50mm30~100mm
    精度±1mm±2mm
    黑白误差±1.5mm±2.5mm
    标准检测不透明物体
    最小检测物2mm
    光源红外LED
    电源电压3.5~7VDC
    消耗电流20mA以下
    保护回路电源极性反接保护
    响应时间15ms
    输出方式I2C(输出距离)
    环境照度白炽灯:3000lx;太阳光:11000lx以下
    环境温度动作时:-20~55℃;保存时:-25~65℃(无结冰无结露)

    • 购买人 会员级别 数量 属性 购买时间
    • 商品满意度 :
    暂无评价信息

    📞咨询电话  0592-6773016

    代理合作
    E3T超薄漫反射光电开关
    价格:¥80
    E3TA光电开关
    价格:¥80