您好,欢迎访问智恒微电子商城!     咨询热线:0592-8268993

智恒微电子

Intellisense Micro System

 • 当前位置:
产品详情  product detail
--- 热 卖 推 荐 ---
  • 高精度无盲区交叉光幕
    高精度无盲区交叉光幕
    高精度无盲区交叉光幕
    ❤ 收藏
  • 高精度无盲区交叉光幕

    这是一款适用于大件不规则物体计数传感器,可运用于颗粒、薄片、五金件、T型件、环形件等多种产品。具有良好的抗光性和抗粉尘特性,在光路受粉尘影响时提醒用户提前维护,避免因传感器失效而停机。

    • ¥1000.00-1800.00
      ¥120.00
      ¥1000.00-1800.00
      ¥900.00-1620.00
      ¥800.00-1440.00
      ¥750.00-1350.00
    • 满意度:

      销量: 0

      评论: 0 次

    重量:0.000KG
    • 数量:
商品参数
    商品描述

    这是一款适用于大件不规则物体计数传感器,可运用于颗粒、薄片、五金件、T型件、环形件等多种产品。具有良好的抗光性和抗粉尘特性,在光路受粉尘影响时提醒用户提前维护,避免因传感器失效而停机。


    1、采用专用IC设计,调制电路,放大器内置型;
    2、延时启动功能,防止上电误触发;
    3、可测硬币、薄片、纸张等;
    4、内置数字滤波器,有效防止外界光电干扰;
    5、交叉光路实现无盲区检测;
    6、电源反接保护、输出过载保护、输出逆接保护


    1、采用专用IC设计,调制电路,放大器内置型的检测距离达到了行业领先水平 
    2、保证低温工作性能,使用温度范围扩大至 -20~+65℃  
    3、调制发射,全信道锁相,抗干扰强  
    4、启动延时(25ms), 避免系统启动时误触发
    5、高速响应时间:0.25ms  /  1ms 可选 
    6、灵敏度可调、Light on/Dark on模式可设置
    7、双电位器 、双指示灯(动作指示、稳定指示)
    8、电源反接保护、输出逆接保护、输出过载保护
    1、采用专用IC设计,调制电路,放大器内置型的检测距离达到了行业领先水平 
    2、保证低温工作性能,使用温度范围扩大至 -20~+65℃  
    3、调制发射,全信道锁相,抗干扰强  
    4、启动延时(25ms), 避免系统启动时误触发
    5、高速响应时间:0.25ms  /  1ms 可选 
    6、灵敏度可调、Light on/Dark on模式可设置
    7、双电位器 、双指示灯(动作指示、稳定指示)
    8、电源反接保护、输出逆接保护、输出过载保护

    NPN
    亮动M16H150D150NLM16H150D500NLM8H350D500NL
    暗动M16H150D150ND
    M16H150D500ND
    M8H350D500ND
    PNP亮动M16H150D150PL
    M16H150D500PL
    M8H350D500PL
    暗动M16H150D150PD
    M16H150D500PD
    M8H350D500PD
    检测精度
    10mm12mm50mm
    检测距离100~200mm500~1000mm500~1000mm
    响应时间
    1.28ms
    电源电压 DC10~30V(包括电压波动10%(p-p)以下)
    指示灯
    接收端
    电源灯(绿色),动作灯(红色),警报灯(黄色)
    发射端
    电源灯(绿色)
    消耗电流
    70mA以下70mA以下
    60mA以下
    负载电流
    100mA以下
    保护回路延时启动、电源极性反接保护、输出短路保护、输出逆接保护
    环境照度白炽灯:3,000lx以下;太阳光:10,000lx以下
    环境温度动作时:-20~55℃;保存时:-25~65℃(无结冰无结露)
    环境湿度动作时:35~85%;保存时:35~95%(无结露)
    防护等级IEC: IP64
    线色定义棕:电源,蓝:,黑:输出 白/红/黄:同步线
    材质外壳铝,银色阳极
    重量约290g约380g


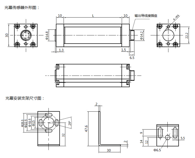
    M16H150型号H=165mm, L=218mm;
    M8H350型号H=350mm, L=403mm。

    NPN输出


    PNP输出


    • 购买人 会员级别 数量 属性 购买时间
    • 商品满意度 :
    暂无评价信息

    📞咨询电话  0592-6773016

    代理合作
    E3T超薄漫反射光电开关
    价格:¥80
    E3TA光电开关
    价格:¥80