您好,欢迎访问智恒微电子商城!     咨询热线:0592-8268993

智恒微电子

Intellisense Micro System

 • 当前位置:
产品详情  product detail
--- 热 卖 推 荐 ---
  • CX2050多通道计数传感器
    ❤ 收藏
  • CX2050多通道计数传感器

    IMS-CX2050框型数粒传感器,Ф4mm精度,材质不限,自动补光、响应时间可调,灵敏度可调,抗粉尘,当传感器表面粉尘达到一定程度或没有在最佳光强状态下工作会自动报警且仍可正常工作,适用于微小颗粒、种子、小垫圈计数,接受非标设计。

    • ¥3200.00-3400.00
      ¥0.00
      ¥3200.00-3400.00
      ¥2880.00-3060.00
      ¥2560.00-2720.00
      ¥2400.00-2550.00
    • 满意度:

      销量: 0

      评论: 0 次

    重量:0.000KG
    • 数量:
商品参数
    商品描述

    IMS-CX2050框型数粒传感器,Ф4mm精度,材质不限,自动补光、响应时间可调,灵敏度可调,抗粉尘,当传感器表面粉尘达到一定程度或没有在最佳光强状态下工作会自动报警且仍可正常工作,适用于微小颗粒、种子、小垫圈计数,接受非标设计。


    1、专用于小产品计数
    2、金属、非金属材质通用
    3、碎粒识别功能,粉尘自适应功能
    4、快速响应,故障自检功能,确保计数准确
    5、经济型、智能型满足各类型客户需求
    6、多通道结构满足大规模计数需求
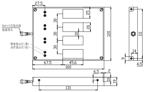
    产品型号
    CX2050
    检测区域20*50mm
    检测精度φ1.5mm(定制) / φ4mm
    电源电压10~30VDC(包括电压波动(P-P)10%以下)

    响应时间

    1ms
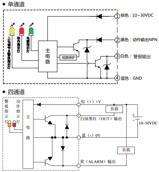
    动作指示电源灯(绿色),动作灯(红色),警报灯(黄色)
    消耗电流70mA以下(不包括负载)
    负载电100mA以下
    输出类型NPN 或 PNP(预定)
    回路保护延时启动、电源反接保护
    环境照度太阳光:50,000lx以下,白炽灯:5,000lx以下
    环境温度动作时:-20~+65℃,保存时:-30~+80℃(不结冰、不结露)
    环境湿度动作时:45~85%RH,保存时:35~95%RH(不结露)
    防护等级IEC IP64
    连接方式插件式
    线色定义

    棕:电源,蓝:地,黑黄白灰:动作输出,红:警报输出

    材质铝,黑色阳极
    重量414g


    CX2050-26


    CX2050-30

    • 购买人 会员级别 数量 属性 购买时间
    • 商品满意度 :
    暂无评价信息

    📞咨询电话  0592-6773016

    代理合作
    E3T超薄漫反射光电开关
    价格:¥80
    E3TA光电开关
    价格:¥80