您好,欢迎访问智恒微电子商城!     咨询热线:0592-8268993

智恒微电子

Intellisense Micro System

 • 当前位置:
产品详情  product detail
--- 热 卖 推 荐 ---
  • E3JM高速光电开关,无间距并排互不干扰漫反射型
    E3JM高速光电开关,无间距并排互不干扰漫反射型
    E3JM高速光电开关,无间距并排互不干扰漫反射型
    ❤ 收藏
  • E3JM高速光电开关,无间距并排互不干扰漫反射型

    E3JM系列光电开关频率响应快,继电器输出,只识别自身光源,可无间距并排使用,互不干扰,抗干扰能力强!

    • ¥89.00-122.00
      ¥0.00
      ¥89.00-122.00
      ¥80.10-109.80
      ¥71.20-97.60
      ¥66.75-91.50
    • 满意度:

      销量: 0

      评论: 0 次

    重量:0.000KG
    • 数量:
商品参数
    商品描述

    E3JM系列光电开关频率响应快,继电器输出,只识别自身光源,可无间距并排使用,互不干扰,抗干扰能力强!


    1、采用专用IC设计,调制电路,放大器内置型
    2、响应时间短:<250μs (计算4个脉冲的时间)
    3、抗干扰能力强,高频调制及解调,可区分自身信号和外来干扰
    4、延时启动功能,防止上电误触发
    5、带主从模式,可无间距并排使用不相互干扰
    6、过载保护:内建短路保护功能,保证在输出回路短路时,传感器输出低电平
    7、电源反接保护、输出逆接保护
    8、工作模式可切换:亮动或暗动
    产品型号
    PE.E3JM.D1m
    检测方式漫反射
    检测距离1m
    检测物体300*300mm白色画纸
    指向角——
    光源红外发光二极管(840nm)
    电源DC24V±10%(电压波动(P-P)10%以下)
    消耗电流 | DC50mA以下(不包括负载)
    输出

    NPN / PNP(预定)

    继电器输出:1c触点AC250V 3A(cosΦ=1)以下,

    DC5V 10mA以上

    入光时on/遮光时on 开关切换

    回路保护电源反接保护
    动作指示
    动作指示灯(红色)、稳定指示灯(绿色)
    响应时间20ms以下
    灵敏度调节单回转开关
    环境照度太阳光:11,000lx以下,白炽灯:3,000lx以下
    环境温度动作时:-25~+55℃,保存时:-40~+70℃(不结冰、不结露)
    环境湿度动作时:35~85%RH,保存时:35~95%RH(不结露)
    防护等级IEC IP64
    连接方式导线引出式
    材质外壳:ABS,透镜:PMMA,旋钮:POM,电缆:PVC
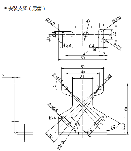
    附件固定支架
    重量约150g


    NPN输出

    PNP输出


    继电器输出



    • 购买人 会员级别 数量 属性 购买时间
    • 商品满意度 :
    暂无评价信息

    📞咨询电话  0592-6773016

    代理合作
    E3T超薄漫反射光电开关
    价格:¥80
    E3TA光电开关
    价格:¥80