您好,欢迎访问智恒微电子商城!     咨询热线:0592-8268993

智恒微电子

Intellisense Micro System

 • 当前位置:
产品详情  product detail
--- 热 卖 推 荐 ---
  • E3T超薄漫反射光电开关
    E3T超薄漫反射光电开关
    E3T超薄漫反射光电开关
    E3T超薄漫反射光电开关
    E3T超薄漫反射光电开关
    ❤ 收藏
  • E3T超薄漫反射光电开关

    业界最小规格调制式传感器之一,扁平结构适用于狭小空间。默认NPN。

    • ¥80.00
      ¥120.00
      ¥80.00
      ¥72.00
      ¥64.00
      ¥60.00
    • 满意度:

      销量: 0

      评论: 0 次

    重量:0.000KG
    • 数量:
商品描述

业界最小规格调制式传感器之一,扁平结构适用于狭小空间。默认NPN。


1、采用专用IC设计,调制电路,放大器内置型的检测距离达到了行业领先水平
2、保证低温工作性能,使用温度范围扩大至 -20~+65℃  
3、调制发射,全信道锁相,抗干扰强  
4、启动延时(25ms), 避免系统启动时误触发
5、高速响应时间1ms
6、灵敏度可调、亮动/暗动模式可选
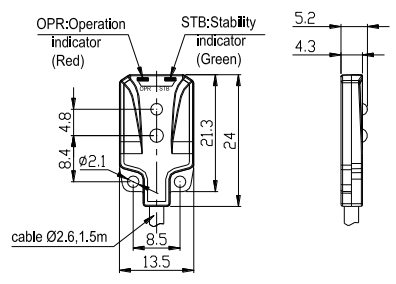
7、双指示灯(动作指示、稳定指示)
8、电源反接保护、输出逆接保护、输出过载保护


普通漫反射型

产品型号
E3T-D30 / E3T-D50
检测方式漫反射
检测距离3cm / 5cm
检测物体100mm*100mm白纸
回差检测距离的20%以下
光源红色调制光(650nm)
电源10~24VDC(电压波动(P-P)10%以下)
消耗电流最大20mA(不包括负载)
负载电流100mA
输出NPN
回路保护延时启动、电源反接保护、自恢复输出短路保护、输出反接保护
动作指示
动作指示灯(红色)、稳定指示灯(绿色)
响应时间1ms
灵敏度调节

——

动作模式亮动或暗动
环境照度太阳光:11,000lx,白炽灯:3,000lx
环境温度动作时:-25~+55℃,保存时:-40~+70℃(不结冰、不结露)
环境湿度动作时:45~85%RH,保存时:35~95%RH(不结露)
防护等级IEC IP64
连接方式导线引出式
线色定义棕:电源,蓝:地,黑:输出
材质外壳:PBT,透镜:PMMA
附件固定支架、螺丝
重量约25g


NPN输出


PNP输出

  • 购买人 会员级别 数量 属性 购买时间
  • 商品满意度 :
暂无评价信息

📞咨询电话  0592-6773016

代理合作
E3T超薄漫反射光电开关
价格:¥80
E3TA光电开关
价格:¥80